推荐一个调试查看变量绘制曲线的软件——MCU Viewer
MCU Viewer目前仅支持JLink,ST-Link!正点原子的无线下载器DAP暂不支持。建议用JLink,JLink可以边在Keil调试边在MCU Viewer里看曲线,很方便。
从github上下载MCU Viewer:地址
安装后打开,选择Option->Acquistion settings打开采样设置窗口

在第一个elf文件位置选择编译elf文件,在build/Debug下:
JLink需要选择芯片,点…后会弹出一个窗口,在Device里输入芯片型号,然后选图中的就可以了,完成后点OK

点Import variables from *elf,输入变量名搜索想要看的变量,仅支持全局变量,如果没有想要查看的变量需要在代码里加:

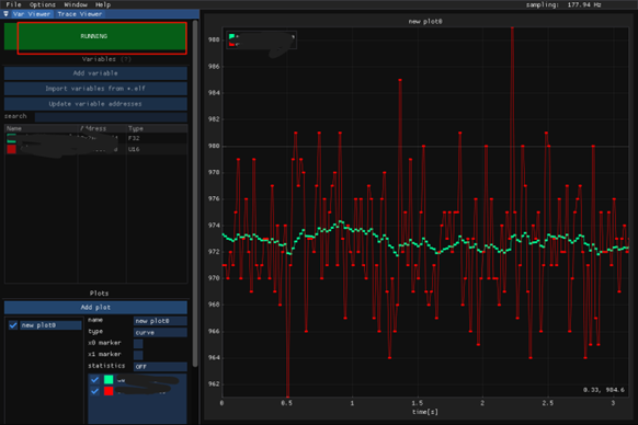
添加完变量后点Done,然后把要查看变量拖到图里:
添加完毕后点STOPPED开始,变成Running,并出现曲线就OK,如果报错检查一下接线或者其他问题:


可以选择Export to csv保存为csv文件后导入matlab分析:

改代码重新编译以后需要更新一下变量地址,重新编译可能使变量地址变化,点Click to reload *.elf changes更新:

可以保存此绘图设置,文件后缀是cfg,方便下次打开使用,免得重新设置一遍变量:

可以点File->Open打开保存的配置文件:



